WinRelaisTM
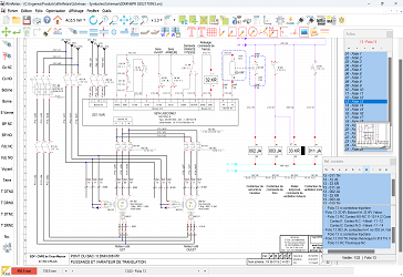
WinRelais est un logiciel professionnel de conception de schémas électriques de types unifilaires, multifilaires, architecturaux et développés, pour l’industrie et le bâtiment.
Il permet aussi de dessiner des schémas PID, des circuits pneumatiques, hydrauliques, frigorifiques,
grafcets et plus encore grâce à ses nombreuses bibliothèques de symboles.
WinRelais est disponible en langue française, anglaise et espagnole.
Pour en savoir plus, vous pouvez consulter le site Internet dédié à WinRelais : www.winrelay.com.
WinRelais ™ est proposée :
- en licence monoposte PROFESSIONNELLE
- en licence site multiposte PROFESSIONNELLE (nous consulter)
- en licence établissement EDUCATION (nous consulter)
COMPLET, ECONOMIQUE & SIMPLE, WinRelais est disponible en 3 versions :
STANDARD
- Plus de 4000 symboles + éditeur de symboles
- Base de données produits
- Génération borniers, nomenclature
- Gestion renvois de folio, références croisées
Export des schémas en DXF et DWG, ...
PREMIUM

- Toute les fonctionnalités de la version STANDARD
- + WinArmoire
- + Explorateur bibliothèques de symboles et de blocs
- + Création symboles multibroches en mode édition de schéma
- + Gestion borniers à étages
- + Objet câble avec BD câbles
- + WinRelaisProjet
EXPERT
- Toute les fonctionnalités de la version PREMIUM
- + Import de schémas aux formats DXF et DWG
- + Liens dynamiques avec tableur
- + Macro-langages (génération automatique de schémas, automatisation de tâches)
- + Format UNICODE
