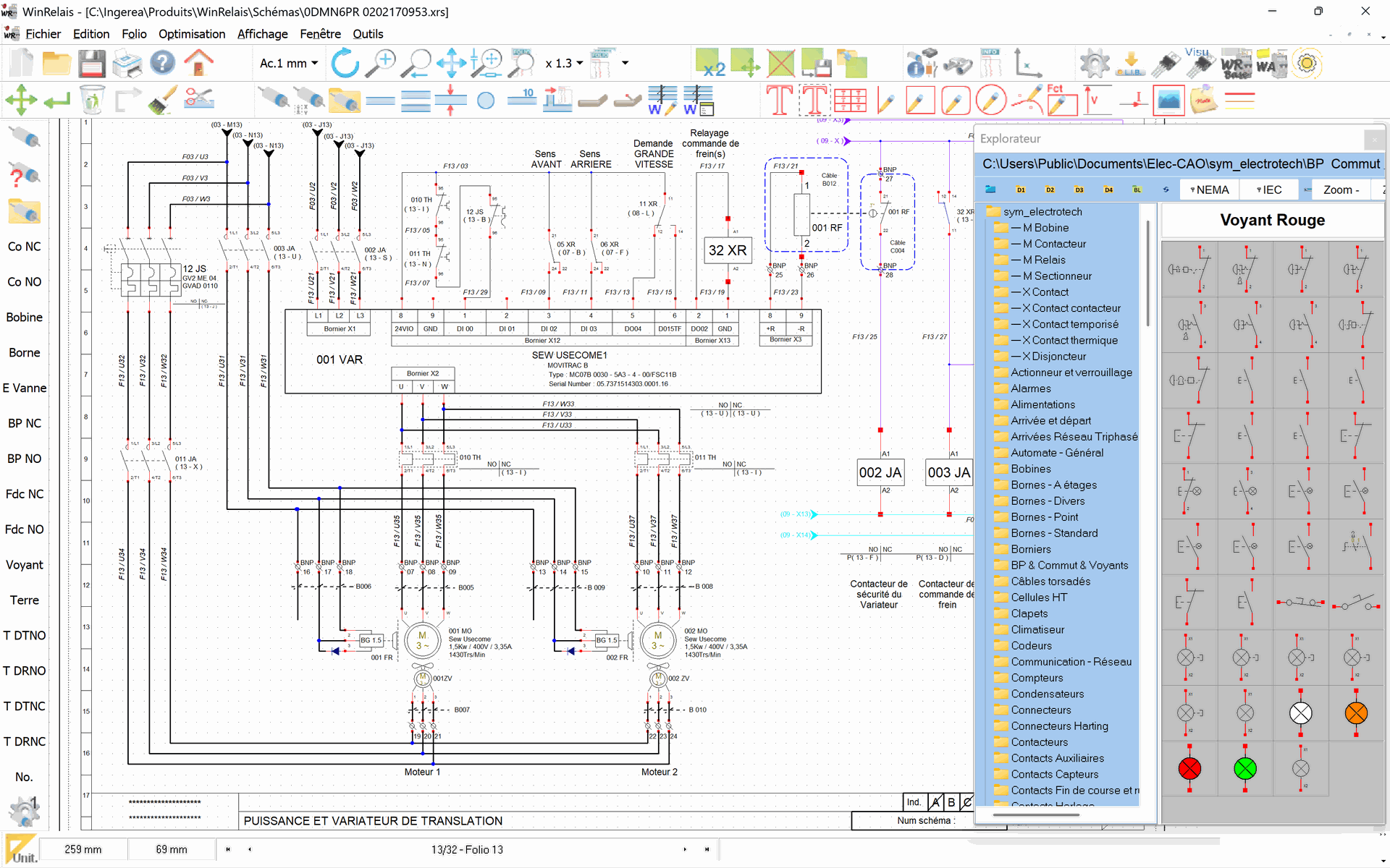
The right solution for every need
WinRelais
Comprehensive, cost-effective professional electrical diagramming software for building and industry.
WinRelay is quick to learn and easy to use, and has been designed to facilitate the production of schematic diagrams in a wide range of fields and sectors.
La version WinRelais STUDIO vous offre la possibilité de simuler vos schémas.En savoir +
SPRAYVERSE
SprayVerse, is the most advanced virtual spray painting training solution used by leading OEM’s, paint company’s and training bodies. SprayVerse harnesses engaging, interactive and immersive teaching methods. It increases training speed and effectiveness, while reducing human contact, material, logistical costs, and negative environmental impacts. Users are placed in realistic virtual environments and exposed to simulated training scenarios, whilst receiving real-time feedback and ongoing progress tracking.
WeldVR
Designed by Welding and VR experts, WeldVR Welding Simulator offers a realistic welding training environment where trainees can safely practice and master welding techniques without the risk of damaging equipment or endangering themselves or others.
WeldVR provides trainees with a range of welding scenarios and welding techniques (MIG, TIG, and Stick), as well as different joint types and welding positions.
By incorporating realistic welding sound and lifelike puddle simulations, our simulator helps trainees to develop their ability to respond to and adjust their welding technique, ultimately enhancing their overall welding skills.




